Расчет стальных конструкций. Трассировка расчета
Програмне забезпечення для проектування конструкцій LIRALAND Group
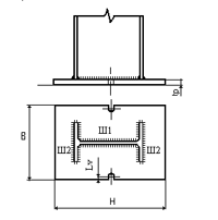
Узел 1
|
Выполненные проверки |
|
| Наименование | Процент использования,% |
|
Плита
|
99.03 |
|
Шов Ш1
|
30.10 |
|
Шов Ш2
|
30.10 |
|
Эскиз узла |
|
| Nx*, кН | My*, кНм | Qz, кН | Mz*, кНм | Qy, кН |
| -2500 | 0 | 0 | 0 | 0 |
KIp - процент использования плиты базы колонны:
KIp = 6·Mtr/(Ry·(γc/γn)·ak·(tpl - 2)2)·100
KIp = 6·(1.17344·107)/(205·(1/1)·300·(36 - 2)2)·100 = 99.0325 %
Здесь:
Mtr = (1.17344·107) Н*мм - момент в трапецеидальном участке плиты
Ry = 205 МПа - расчетное сопротивление стали по текучести
γc = 1 - коэффициент условий работы
γn = 1 - коэффициент надежности по назначению
ak = 300 мм - длина кромки колонны
tpl = 36 мм - толщина пластины
Mtr - момент в трапецеидальном участке плиты:
Mtr = σmax·Atr·с
Mtr = 13.5208·24455·35.4886 = (1.17344·107) Н*мм
Здесь:
σmax = 13.5208 МПа - максимальное напряжение в пределах пластинки
Atr = 24455 мм2 - площадь трапеции
с = 35.4886 мм - расстояние от центра тяжести трапеции до кромки колонны
Atr - площадь трапеции:
Atr = (bk + ak)/2·h
Atr = (430 + 300)/2·67 = 24455 мм2
Здесь:
bk = 430 мм - длина кромки плиты
ak = 300 мм - длина кромки колонны
h = 67 мм - высота трапеции
bk - длина кромки плиты:
bk = B
bk = 430 мм
Здесь:
B = 430 мм - ширина пластины
ak - длина кромки колонны:
ak = Bcl
ak = 300 мм
Здесь:
Bcl = 300 мм - ширина колонны
h - высота трапеции:
h = (H - Hcl)/2
h = (430 - 296)/2 = 67 мм
Здесь:
H = 430 мм - длина пластины
Hcl = 296 мм - высота колонны
с - расстояние от центра тяжести трапеции до кромки колонны:
с = (2·bk + ak)·h/(3·(bk + ak))
с = (2·430 + 300)·67/(3·(430 + 300)) = 35.4886 мм
Здесь:
bk = 430 мм - длина кромки плиты
ak = 300 мм - длина кромки колонны
h = 67 мм - высота трапеции
| Nx*, кН | My, кНм | Qz, кН | Mz, кНм | Qy, кН |
| -2500 | 0 | 0 | 0 | 0 |
KIw - процент использования шва:
Поскольку условие (βf·kf < βz·kf) - удовлетворяется , то
KIw = |Nx|·103/(βf·(kf·(2·Hw) + kf·(2·(bf + bf - tw - 2·R)))·Rwf·βwf·γc/γn)·100
то есть условие (0.7·8 < 1·8) - удовлетворяется , то
KIw = |500|·103/(0.7·(8·(2·269) + 8·(2·(300 + 300 - 9 - 2·18)))·180·1·1/1)·100 = 30.099 %
Здесь:
Nx = 500 kН - продольное усилие в соответствующей системе координат
βf = 0.7 Таблица 34* - коэффициент, учитывающий технологию сварки
kf = 8 мм - катет сварного шва
Hw = 269 мм - высота стенки
kf = 8 мм - катет сварного шва
bf = 300 мм - ширина полки
bf = 300 мм - ширина полки
tw = 9 мм - толщина стенки
R = 18 мм - радиус закругления
Rwf = 180 МПа - расчетное сопротивление угловых швов срезу (условному) по металлу шва
γwf = 1 - коэффициент условий работы шва
γc = 1 - коэффициент условий работы
γn = 1 - коэффициент надежности по назначению
βf = 0.7 Таблица 34* - коэффициент, учитывающий технологию сварки
βz = 1 Таблица 34* - коэффициент, учитывающий технологию сварки
kf - катет сварного шва:
kf = kf
kf = 8 мм
Здесь:
kf = 8 мм - катет сварного шва
Nx - продольное усилие в соответствующей системе координат:
Nx = |(0.2·Nx)|
Nx = |(0.2·-2500)| = 500 kН
Здесь:
Nx = -2500 kН - продольное усилие в соответствующей системе координат
Nx - продольное усилие в соответствующей системе координат:
Nx = Nx
Nx = -2500 kН
Здесь:
Nx = -2500 kН - продольное усилие в соответствующей системе координат
kf - катет сварного шва:
kf = kf
kf = 8 мм
Здесь:
kf = 8 мм - катет сварного шва
| Nx*, кН | My, кНм | Qz, кН | Mz, кНм | Qy, кН |
| -2500 | 0 | 0 | 0 | 0 |
KIw - процент использования шва:
Поскольку условие (βf·kf < βz·kf) - удовлетворяется , то
KIw = |Nx|·103/(βf·(kf·(2·Hw) + kf·(2·(bf + bf - tw - 2·R)))·Rwf·γwf·γc/γn)·100
то есть условие (0.7·8 < 1·8) - удовлетворяется , то
KIw = |500|·103/(0.7·(8·(2·269) + 8·(2·(300 + 300 - 9 - 2·18)))·180·1·1/1)·100 = 30.099 %
Здесь:
Nx = 500 kН - продольное усилие в соответствующей системе координат
βf = 0.7 Таблица 34* - коэффициент, учитывающий технологию сварки
kf = 8 мм - катет сварного шва
Hw = 269 мм - высота стенки
kf = 8 мм - катет сварного шва
bf = 300 мм - ширина полки
bf = 300 мм - ширина полки
tw = 9 мм - толщина стенки
R = 18 мм - радиус закругления
Rwf = 180 МПа - расчетное сопротивление угловых швов срезу (условному) по металлу шва
γwf = 1 - коэффициент условий работы шва
γc = 1 - коэффициент условий работы
γn = 1 - коэффициент надежности по назначению
βz = 1 Таблица 34* - коэффициент, учитывающий технологию сварки
Проверка : Дополнительная информация
Расположение локальных осей координат в элементах узла
узлы металлических конструкций
Классификация узлов
Каждый расчет имеет трассировку, что позволяет просмотреть в символьном и числовом виде используемые во время расчета формулы и алгоритмические условия.
Пример трассировки
There is no newsletter category found.


